В этой статье мы расскажем, как сделать деревянную хлебницу своими руками, предоставив чертежи, размеры и список необходимых материалов и инструментов. Хлебница сохраняет свежесть хлеба и служит стильным элементом интерьера. Мы рассмотрим варианты конструкции и способы декорирования, чтобы вы могли создать уникальный и функциональный предмет для вашего дома.
Что нужно, чтобы сделать хлебницу из дерева
Перед началом работы необходимо определиться с выбором материала, подобрать инструменты и чертежи. Существует множество видов хлебниц, отличающихся оформлением, формой и механизмом открывания дверцы. Самый простой вариант – это прямоугольная деревянная коробка с откидной крышкой. Ее можно не только изготовить с нуля, но и адаптировать любой подходящий ящик, украсив его росписью, аппликацией в технике декупаж или резьбой.
Более сложные конструкции могут включать закругленную крышку, выполненную из набора деревянных планок, а также резьбу по дереву и различные декоративные элементы. Создание таких хлебниц своими руками требует определенных навыков, умений и специализированных инструментов. Одним из способов декорирования является резьба по бересте.
В зависимости от выбранного дизайна и конструкции вам понадобятся:
- дерево или другой материал;
- электролобзик;
- столярная линейка и карандаш;
- струбцины;
- ручной фрезер для вырезания пазов;
- шлифовальная бумага;
- столярный клей;
- фурнитура для дверцы (штифты, шурупы, петли, ручки);
- для декора – краска, рисунки для декупажа, инструменты для резьбы.
В качестве материала для изготовления хлебницы можно использовать:
- деревянную доску (толщина около 10 мм);
- бересту;
- бамбук;
- фанеру.
Рекомендуется выбирать доски из липы, дуба, ясеня, березы или ольхи. Сосна и другие хвойные породы имеют характерный запах и высокую смолистость, что делает их менее подходящими для хранения продуктов. Однако, если у вас есть только сосновые доски, можно пропитать внутреннюю часть готового изделия растопленным воском, смешанным со спиртом, а наружную поверхность покрыть пищевым лаком. Это поможет избежать запаха древесины и контакта со смолой.
Важно! Специалисты рекомендуют использовать древесину можжевельника или бересту, но найти эти материалы может быть сложнее, чем обычную фанеру.
Создание деревянной хлебницы своими руками становится все более популярным среди любителей домашнего рукоделия. Эксперты отмечают, что такой проект не только позволяет сэкономить средства, но и дает возможность проявить креативность. При выборе чертежей важно учитывать размеры, которые зависят от объема хранения и стиля кухни. Оптимальные размеры для стандартной хлебницы составляют 30 см в ширину, 20 см в высоту и 15 см в глубину.
Специалисты рекомендуют использовать древесину, устойчивая к влаге, такую как дуб или бук, чтобы обеспечить долговечность изделия. Также стоит обратить внимание на вентиляцию: наличие отверстий поможет предотвратить плесень. Важно помнить, что качественная отделка и обработка поверхности защитят хлеб от внешних факторов. Таким образом, создание хлебницы своими руками — это не только практично, но и увлекательно.
https://youtube.com/watch?v=uomZBipDzyE
Чертежи хлебницы из дерева
Выбирать конструкцию хлебницы желательно с учетом собственных возможностей. Для начинающих домашних мастеров подойдет самый простой вариант. Тем, кто обладает большим опытом столярных работ, можно замахиваться на сложные проекты.
| Элемент хлебницы | Размеры (мм) | Примечания |
|---|---|---|
| Боковые стенки (2 шт.) | 300 (высота) x 200 (ширина) | Толщина доски 10-15 мм |
| Задняя стенка (1 шт.) | 300 (высота) x 350 (ширина) | Толщина доски 10-15 мм |
| Дно (1 шт.) | 350 (длина) x 200 (ширина) | Толщина доски 10-15 мм |
| Крышка (1 шт.) | 360 (длина) x 210 (ширина) | С небольшим напуском для удобства открывания |
| Передняя панель (1 шт.) | 100 (высота) x 350 (ширина) | Для фиксации крышки в закрытом положении |
| Ручка для крышки (1 шт.) | По желанию | Может быть деревянной, металлической или кожаной |
| Петли (2 шт.) | Малые мебельные | Для крепления крышки к задней стенке |
| Магниты или защелка (по желанию) | 1-2 шт. | Для надежной фиксации крышки |
Интересные факты
Вот несколько интересных фактов о создании деревянной хлебницы своими руками:
-
История хлебниц: Хлебницы появились в Европе в средние века как способ хранения хлеба, чтобы защитить его от насекомых и загрязнений. Деревянные хлебницы были популярны благодаря доступности материала и его естественным антисептическим свойствам, что помогало сохранять хлеб свежим дольше.
-
Эргономика и дизайн: При создании хлебницы важно учитывать не только размеры, но и эргономику. Оптимальные размеры для хлебницы обычно составляют около 30-40 см в длину, 20 см в ширину и 15-20 см в высоту. Это позволяет удобно хранить стандартные буханки хлеба и обеспечивает хорошую циркуляцию воздуха, что предотвращает плесень.
-
Экологичность и безопасность: Использование натурального дерева для изготовления хлебницы не только придает изделию эстетичный вид, но и делает его безопасным для хранения продуктов. Дерево обладает природными антимикробными свойствами, что помогает поддерживать свежесть хлеба и предотвращает его порчу.
https://youtube.com/watch?v=V14gdYOAQuw
Размеры хлебницы из дерева
Стандартные модели хлебниц обычно вмещают одну или две буханки. Не стоит размещать хлеб слишком плотно, так как это может привести к потере свежести. При создании деревянной хлебницы важно учитывать количество членов семьи. Для пары без детей подойдет небольшая и компактная модель, а для большой семьи лучше выбрать более просторную хлебницу с несколькими отделениями или в два яруса.
Наиболее популярные размеры:
- длина 40-50 см;
- ширина и высота 25-30 см.
Двухъярусные деревянные конструкции могут достигать высоты до 40 см, а модели с несколькими отделениями имеют длину до полуметра. Четких правил или ограничений не существует. Главное, чтобы хлебобулочные изделия могли свободно размещаться внутри хлебницы.
Рекомендация! Не стоит хранить белый и ржаной хлеб в одном отсеке. Пшеничный хлеб может впитать специфический запах и быстрее заплесневеть.
Как сделать хлебницу из дерева своими руками
Выбор формы хлебницы во многом зависит от оформления кухни и предпочтений хозяев. Простая прямоугольная модель из дерева подойдет к деревенским стилям (прованс, кантри), за ней просто ухаживать, но она занимает достаточно много места. Полукруглая форма впишется в большинство современных городских стилей, не загромождает пространство, но уход за раздвижной крышкой немного сложнее.
Простая самодельная хлебница из дерева
Самый простой вариант – это прямая конструкция из дерева с откидной крышкой. Для ее создания потребуется доска толщиной 19 мм для основания и боковин, а также 12 мм для верхней части и дверцы. На заднюю стенку используется тонкая фанера толщиной 3 мм.
Размеры и количество деревянных элементов для хлебницы:
- основание 273×473 мм – 1 шт.;
- боковины 267×273 мм – 2 шт.;
- верхняя часть 217×485 мм – 1 шт.;
- дверца 222×473 мм – 1 шт.;
- задняя стенка 209×485 мм – 1 шт.;
- штифт диаметром 3 мм и длиной 38 мм – 2 шт.
Этапы работы:
- Вырезать детали согласно указанным размерам.
- Скруглить верхние края боковин.
- Сделать паз 12×6х205 мм вдоль короткой стороны в каждой боковине для установки верхней части.
- Создать канавку 3×6х209 мм вдоль длинной стороны боковины для задней стенки.
- На верхней детали с фасада выполнить скос под углом 80 °, чтобы дверца при закрывании имела надежный упор.
- Скруглить нижний край дверцы с обеих сторон, а верхний только с фасада.
- Соединить дверцу и боковины с помощью штифтов.
- Собрать хлебницу, используя столярный клей.
- При желании можно установить ручку.
Еще один очень простой вариант – это небольшая хлебница из бамбука. Для ее изготовления понадобятся несколько готовых бамбуковых салфеток, которые нужно раскроить и приклеить к корпусу из прочного картона.
Оригинальная хлебница из дерева
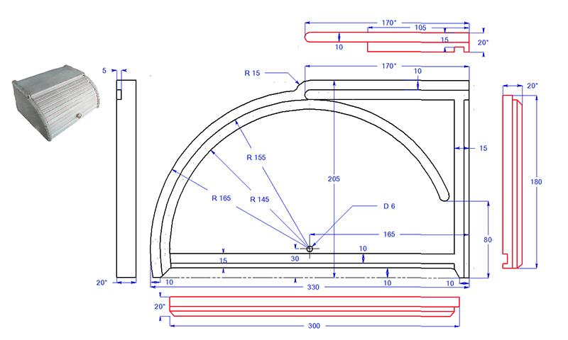
Деревянную конструкцию с полукруглой дверцей-шторкой сделать сложнее. Все детали вырезают по размерам, обрабатывают шкуркой спилы, соединяют шурупами или сажают на клей. На корпусе прорезают канавку, по которой будет двигаться дверца-шторка. Саму дверь можно сделать из набора гибко соединенных тонких планок или использовать бамбуковую салфетку подходящего размера для облегчения работы. Готовую хлебницу из дерева обязательно покрывают пищевым лаком или морилкой.
Резная деревянная хлебница
Резьба по дереву представляет собой истинное искусство. Для выполнения этой работы необходимы специальные инструменты, такие как стамески и ножи различных форм и размеров. Резьба осуществляется исключительно на натуральном дереве или бересте, так как фанера не подходит для такого рода обработки.
Сначала изготавливаются деревянные заготовки по заранее подготовленным чертежам, затем на верхней части или крышке выполняется резьба, и только после этого происходит сборка хлебницы. Начинающим мастерам может быть непросто работать с деревом, поэтому для них будет проще использовать бересту.
Оформление деревянной хлебницы
Один из способов украсить деревянную хлебницу – декупаж. Это аппликация из тонкой бумаги с яркими рисунками. Обычно используют нарядные бумажные салфетки, но можно и распечатать выбранную картинку на тонкой бумаге или оклеить обрывками старых газет. Чтобы сцепление салфетки с деревом было качественным, поверхность хлебницы должна быть без лака или другого покрытия.
Для работы понадобятся:
- салфетки или специальная бумага для декупажа;
- кисточки для клея и разглаживания рисунка;
- клей;
- лак для финишного покрытия;
- акриловые краски для фона и нанесения цветовых акцентов.
Хорошо выровненную и просушенную крышку хлебницы нужно загрунтовать шпаклевкой, дать просохнуть и еще раз обработать тонкой наждачной бумагой. Под слой аппликации необходимо нанести акриловую краску подходящего цвета, чтобы узор выглядел ярче и четче. После полного высыхания на хлебницу наклеивают вырезанный или вырванный узор из бумажных салфеток. Клей наносят на бумагу кисточкой аккуратными мазками в одном направлении. Начинают нанесение клея от середины рисунка.
После наложения салфетки на дерево бумагу бережно разглаживают мягкой кисточкой, чтобы не образовались пузыри и складки. После полного высыхания клея приступают к нанесению финишного покрытия. Акриловый лак наносят в несколько приемов (3-6 слоев), делая перерывы для сушки.
Важно! Поверхность под декупаж придется очень хорошо выровнять, а сколы загрунтовать, чтобы после наклейки бумаги не проявились изъяны дерева.
Фото деревянных хлебниц
Заключение
Хлебница своими руками из дерева внесет яркий акцент в оформление кухни, поможет долго сохранить хлеб мягким. Однако за деревянными изделиями нужно ухаживать с осторожностью. Нельзя чистить поверхности сильнодействующими средствами, особенно если на фасаде есть рисунок или резьба. Перепады температуры и влажности плохо отражаются на дереве. Даже при идеальном уходе со временем древесина впитает запахи кухни, что отразится на вкусовых качествах хлеба. Избежать этого можно с помощью регулярного проветривания хлебницы, а через несколько лет заменить ее следует новым шедевром.
https://youtube.com/watch?v=JB3aCwYNVWo
Выбор древесины для хлебницы
При выборе древесины для изготовления хлебницы необходимо учитывать несколько факторов, таких как прочность, устойчивость к влаге, а также эстетические качества материала. Наиболее популярные виды древесины, используемые для создания хлебниц, включают в себя следующие:
- Дуб: Этот вид древесины отличается высокой прочностью и долговечностью. Дубовая хлебница будет служить долго и устойчива к механическим повреждениям. Кроме того, дуб имеет красивую текстуру и цвет, что делает его отличным выбором для создания стильного изделия.
- Сосна: Сосна – это более доступный и легкий в обработке материал. Она обладает хорошими антисептическими свойствами, что предотвращает развитие плесени и грибка. Однако сосна менее устойчива к влаге, поэтому рекомендуется использовать ее в сочетании с защитными покрытиями.
- Береза: Березовая древесина имеет светлый цвет и приятную текстуру. Она достаточно прочная и устойчивая к деформации. Береза также хорошо поддается обработке, что позволяет создавать изысканные формы и детали.
- Клен: Кленовая древесина отличается высокой прочностью и стойкостью к износу. Она имеет красивую текстуру и может быть использована для создания как классических, так и современных дизайнов хлебниц. Клен также хорошо удерживает влагу, что делает его подходящим для хранения хлеба.
- Тик: Тиковая древесина известна своей высокой устойчивостью к влаге и гниению, что делает ее идеальным выбором для кухонных принадлежностей. Тик имеет красивый золотистый цвет и характерный рисунок, что придает хлебнице элегантный вид.
При выборе древесины также стоит обратить внимание на ее обработку. Лучше всего использовать экологически чистые материалы, не содержащие токсичных веществ, чтобы обеспечить безопасность хранения продуктов. Кроме того, стоит учитывать, что древесина должна быть хорошо высушенной, чтобы избежать деформации и трещин в процессе эксплуатации.
Важно помнить, что каждая порода древесины имеет свои уникальные свойства, которые могут влиять на конечный результат. Поэтому перед началом работы рекомендуется изучить характеристики выбранного материала и, при необходимости, проконсультироваться с опытными мастерами или специалистами в области деревообработки.
Вопрос-ответ
Из какого дерева лучше сделать хлебницу?
Покупая хлебницу в магазине, подробно расспросите продавца о том, из чего она сделана, особенно если речь идет о деревянной хлебнице. Подходящими материалами в этом случае являются массив ясеня, лиственницы и дуба, но лучшим, несомненно, остается каучуковое дерево.
Можно ли сделать хлебницу из фанеры?
Лучше всего – сделать хлебницу своими руками. Поверьте нам, вы действительно самостоятельно убедитесь, насколько хлеб из вашей хлебницы станет вкуснее. Вам понадобится небольшой отрезок фанеры толщиной примерно 5 миллиметров, немного прозрачного лака, кисточка, столярный клей и несколько метизов для сборки конструкции.
Какая хлебница лучше: деревянная или пластиковая?
Лучше всего регулирует влажность и защищает хлеб от высыхания хлебница из древесины. При этом она самая экологичная. Покупая такую хлебницу, обратите внимание на то, чтобы она не была покрыта толстым слоем лака или краски, в результате чего устройство перестанет дышать и потеряет свои природные свойства.
Советы
СОВЕТ №1
Перед началом работы обязательно составьте подробный чертеж вашей хлебницы. Убедитесь, что вы учли все размеры и пропорции, чтобы изделие было не только красивым, но и функциональным.
СОВЕТ №2
Выбирайте качественные материалы для изготовления хлебницы. Дерево должно быть сухим и без трещин, чтобы избежать деформации и продлить срок службы изделия.
СОВЕТ №3
Не забывайте о вентиляции. Для предотвращения плесени и сохранения свежести хлеба, предусмотрите небольшие отверстия или решетку в конструкции хлебницы.
СОВЕТ №4
При отделке хлебницы используйте безопасные для здоровья лакокрасочные материалы. Это особенно важно, если вы планируете хранить в ней продукты питания.







