Сталинские дома, или сталинки, популярны среди покупателей недвижимости благодаря уникальной архитектуре и просторным планировкам. В статье рассмотрим особенности планировки и перепланировки двухкомнатных квартир в сталинках, а также их преимущества и недостатки. Эта информация поможет тем, кто планирует покупку квартиры в таком доме, а также тем, кто хочет грамотно подойти к ремонту и изменению пространства для создания комфортного жилья.
Особенности сталинок
Эксперты в области архитектуры и дизайна интерьеров отмечают, что планировка и перепланировка двухкомнатной квартиры в сталинке требует особого подхода. Эти квартиры, построенные в середине XX века, отличаются высокими потолками и большими окнами, что создает уникальную атмосферу. При перепланировке важно учитывать не только функциональность, но и сохранение исторического облика. Специалисты рекомендуют открытые пространства, которые визуально увеличивают площадь, а также использование легких перегородок для зонирования. Важно также продумать освещение, чтобы подчеркнуть архитектурные детали. Эксперты подчеркивают, что грамотная перепланировка может значительно повысить комфорт и эстетическую привлекательность жилья, сохраняя при этом его историческую ценность.
https://youtube.com/watch?v=b354gHxwbzc
Преимущества
Перечислим основные факторы, определяющие престижность и уют двухкомнатных квартир в этих домах:
- сталинка: планировка 2-х комнатной квартиры годится и для того, чтобы пользоваться существующей, и для перепланировки;
- толстые кирпичные стены в этих проектах (наружные — в среднем 65 сантиметров, внутренние — 25-35 сантиметров) обеспечивают отличную теплоизоляцию и звукоизоляцию;
- высота потолков в помещениях чаще всего и в среднем 3 метра, то есть выше, чем в домах последующих советских периодов;
- общая площадь квартиры — от 44 до 70 квадратных метров;
- достаточно большая площадь жилых помещений: площадь комнат от 12 (маленькой) и от 15 (большой) до 25, иногда больше;
- площадь коридора — от 8 до 15, иногда больше (в основном, в квартирах, расположенных в угловых «башнях»);
- площадь кухни — от 8 квадратных метров, а в среднем — 10-12.
| Аспект планировки/перепланировки | Описание/Особенности для сталинки | Рекомендации/Советы |
|---|---|---|
| Исходные данные сталинки | Высокие потолки (3-3.5 м и выше), толстые стены (кирпич), большие окна, часто несущие стены в центре, наличие газовой колонки/котла, деревянные перекрытия (в старых сталинках), иногда эркеры. | Использовать высоту потолков для антресолей, второго уровня, скрытых коммуникаций. Учитывать толщину стен для ниш, встроенных шкафов. Проверить состояние перекрытий. |
| Зонирование пространства | Часто комнаты изолированные, но могут быть проходные. Кухня обычно небольшая, санузел раздельный. | Объединение кухни и гостиной (при условии, что стена не несущая и нет газа). Создание гардеробной/кладовой за счет части коридора или комнаты. Выделение рабочей зоны. |
| Несущие конструкции | В сталинках много несущих стен, особенно в центре квартиры. Часто это толстые кирпичные стены. | Обязательно получить техническое заключение о возможности сноса/переноса стен. Несущие стены нельзя трогать без проекта и согласования. Возможно создание проемов с усилением. |
| Коммуникации | Газовые трубы, водопровод, канализация, вентиляция. Часто старые. Газовая колонка/котел. | Перенос газового оборудования требует согласования с газовой службой. Замена старых труб на новые. Проверка и при необходимости замена вентиляционных каналов. |
| Санузел | Обычно раздельный, небольшой. Иногда с окном. | Объединение санузла для увеличения площади (если нет газовой колонки). Перенос сантехники возможен, но требует согласования и соблюдения уклонов. Устройство душевой кабины вместо ванны для экономии места. |
| Кухня | Часто небольшая, с газовой плитой и колонкой. | Объединение с гостиной (при соблюдении норм по газу). Перенос кухни в другую зону (только при наличии технической возможности и согласования). Использование встроенной техники. |
| Окна и балконы | Большие окна, часто с широкими подоконниками. Балконы могут быть узкими или широкими. | Использование широких подоконников как рабочих зон или мест для сидения. Утепление и остекление балкона для создания дополнительной полезной площади (кабинет, зона отдыха). |
| Электрика | Старая проводка, часто не рассчитанная на современную нагрузку. | Полная замена электропроводки. Установка достаточного количества розеток. Разделение на группы. Установка УЗО и автоматов. |
| Пол | Деревянные перекрытия, стяжка, паркет. | Проверка состояния перекрытий. Устройство новой стяжки (легкой, если перекрытия деревянные). Шумоизоляция пола. |
| Потолок | Высокие, часто с лепниной. | Сохранение лепнины (реставрация). Устройство натяжных или подвесных потолков для скрытия коммуникаций или создания многоуровневого освещения. |
| Согласование перепланировки | Обязательно для любых изменений, затрагивающих несущие конструкции, мокрые зоны, газовое оборудование. | Разработка проекта перепланировки. Получение разрешения в жилищной инспекции. Ввод в эксплуатацию после ремонта. |
| Дизайн и стиль | Классический стиль, ар-деко, минимализм. | Использование высоких потолков для создания ощущения простора. Сохранение оригинальных элементов (лепнина, двери). Использование светлых тонов. |
Интересные факты
Вот несколько интересных фактов о планировке и перепланировке двухкомнатной квартиры в сталинке:
-
Высокие потолки и большие окна: Сталинские дома известны своими высокими потолками (обычно около 3 метров) и большими окнами, что создает ощущение простора и света. Это позволяет использовать различные дизайнерские приемы, такие как открытые пространства и многоуровневые потолки, что делает перепланировку более гибкой и интересной.
-
Исторические особенности планировки: В сталинках часто встречаются коридоры и изолированные комнаты, что может ограничивать возможности для перепланировки. Однако многие владельцы находят креативные решения, такие как объединение кухни и гостиной в одно пространство, что позволяет создать современный открытый план и улучшить функциональность квартиры.
-
Сохранение исторического наследия: При перепланировке сталинских квартир важно учитывать их историческую ценность. Многие владельцы стремятся сохранить оригинальные элементы, такие как лепнина, двери и полы, что не только добавляет уникальности, но и повышает стоимость недвижимости. В некоторых случаях требуется согласование с органами охраны культурного наследия, что делает процесс перепланировки более сложным, но интересным.
https://youtube.com/watch?v=lnkjY5NrD2E
Недостатки
Как правило, новосел, который переезжает в сталинку, сталкивается с немалыми затратами как на саму квартиру, так и на ее модернизацию до желаемого уровня. В некоторых случаях жилье уже предлагается после качественной и дорогостоящей реконструкции, что позволяет ему выглядеть современно и стильно.
Что нужно исправить?
- Часто наблюдается значительный износ систем водоснабжения, канализации и отопления, что может потребовать согласования с соседями сверху и снизу для замены общих стояков.
- Мощность электропроводки зачастую оказывается недостаточной для современных электрических приборов, а также наблюдается износ ее изоляции.
- Газовые плиты, как правило, имеют высокий уровень амортизации и нуждаются в замене.
- Стены часто бывают неровными.
- Социальный состав жильцов может быть весьма разнообразным, и если возникают проблемы с нежелательными соседями, то решить эту ситуацию радикально и быстро можно, попытавшись выкупить еще одну квартиру.
Виды сталинских домов
По времени проектирования и строительства рассматриваемые нами здания делятся на:
- довоенные («раннесталинские»);
- послевоенные («позднесталинские»).
По цели проектирования и качеству проектов они делятся на:
- номенклатурные;
- типовые.
Довоенные
Дома, построенные до войны, отличались особым вниманием к дизайну фасадов. Они возводились с величием и роскошью, что позже, в эпоху Хрущева, стало известно как «архитектурные излишества».
Среди сталинских зданий довоенного периода можно встретить множество высотных сооружений. Ленинградские сталинки практически полностью формируют архитектурный облик многих ключевых магистралей современного Санкт-Петербурга. Безусловно, внешняя роскошь фасадов добавляет престижности жилью. Однако этот аспект может быть не для всех, так как потенциальные новоселы могут уделять больше внимания деталям планировки помещений и общей конфигурации квартиры, а также возможностям ее перепланировки.
Послевоенные
Особенности послевоенных построек были обусловлены острым дефицитом жилья после войны вследствие значительных разрушений.
Эти здания имеют две особенности:
- Внешний вид: роскошь и помпезность фасадов ушла на второй план, а то и вовсе была проигнорирована.
- Внутренняя планировка и обустройство: с учетом дефицита жилья квартиры изначально предполагались как коммунальные, на несколько семей, поэтому площади и жилых, и нежилых помещений были заложены немалые.
Таким образом, если вы ищете жилье с большой кухней, то больше внимания нужно уделять послевоенным домам. Однако на их строительство выделялись более простые материалы. Среди послевоенных сталинских построек встречаются как кирпичные, так и частично панельные.
Номенклатурные
Номенклатурные здания были созданы для проживания высших слоев советского общества. Они выделяются не только своей внешней роскошью и богатым декором как снаружи, так и внутри, но и наличием специализированных помещений, таких как кабинеты, комнаты для обслуживающего персонала и библиотеки. Кроме того, в таких зданиях часто можно встретить особое оборудование, например, отдельные мусоропроводы, расположенные в коридорах или на кухнях.
Типовые
Типовые постройки гораздо скромнее номенклатурных: фасады — более плоские, декорированы лишь простой лепниной, нередко дома не были оштукатурены. Часто использовались деревянные перекрытия. Многие типовые сталинки изначально предназначались для коммунальных квартир. В домах для совсем скромного населения — рабочих — могли отсутствовать ванная и центральное отопление. Но они все же составляют основную застройку не центральных кварталов и магистральных улиц, а рабочих окраин и поселков.
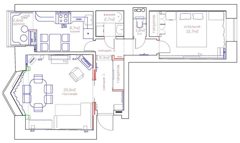
Перепланировка
Одним из значительных достоинств сталинок является применение внутренних железобетонных перекрытий. Это позволяет минимизировать использование несущих стен для зонирования помещений. В результате открываются широкие возможности для перепланировки двухкомнатной квартиры, если, конечно, первоначальная планировка не удовлетворяет новым владельцам.
Коридор
Коридор в квартире в сталинке очень часто можно поделить на зоны. Входная зона оборудуется на первых трех квадратных метрах и ее занимают предметы прихожей: вешалки, шкафчики для обуви и другое. Остальное пространство коридора можно объединить с гостиной путем сноса перегородки или ее части. В образовавшемся пространстве можно оборудовать зону отдыха, например, с экзотическими растениями, картинами или аквариумами, или же библиотеку с современными книжными стеллажами. В любом случае нужно тщательно продумать дизайн этой зоны, ведь она расположена сразу после прихожей и будет своего рода визитной карточкой хозяина.
Кухня
При площади кухни от 10 квадратных метров и выше, есть возможность функционально разделить пространство на зону для приготовления пищи и гостиную. Для этого можно воспользоваться барной стойкой или стеллажом с небольшой глубиной. В интерьере рекомендуется применять светлые оттенки, так как они визуально увеличивают пространство. Эффективным решением также будет использование крупных зеркал.
Если площадь кухни составляет 15 квадратных метров и более, то вопрос о сносе перегородки между кухней и гостиной может стать неактуальным: достаточно выделить 5-6 метров для кухонной зоны, а остальную часть использовать под гостиную.
Объединение кухни с гостиной
Хотя площадь кухни в сталинке и без того немалая, всегда можно увеличить полезное пространство. Объединение кухни с гостиной достигается сносом перегородки между ними. Этот вариант перепланировки годится и тогда, когда из-за стены между кухней и гостиной приходится проделывать длинный путь из одного помещения в другое.
Но важно помнить: желательно обойтись без переноса газовой плиты, канализационной трубы и мойки к другой стене.
В кухонной зоне образовавшегося помещения обязательно должна быть вытяжка. Перегородку можно сносить не полностью, а частично: в этом случае между помещениями делается широкий арочный проход.
Отделение кухни-столовой
Этот вариант идеально подходит для случаев, когда объединение кухни с гостиной было вызвано необходимостью, например, из-за значительного расстояния между этими помещениями. После объединения пространство кухни-столовой можно снова отделить от остальной части комнаты с помощью легкой раздвижной перегородки. В таком случае в оставшейся части комнаты можно организовать даже спальню: перегородка обеспечит защиту от шумов и запахов, исходящих из кухни.
Ванная
Как правило, в рассматриваемых нами квартирах ванная и санузел — раздельные. Одним это по душе, другим — не нравится. При желании создать единое просторное помещение, особенно, если изначально ванная имеет площадь менее 3 метров, ванную объединяют с санузлом. Образовавшееся дополнительное пространство можно использовать для установки стиральной машины, туалетного столика и других аксессуаров. К этому же способу перепланировки часто прибегают при желании установить джакузи.
Создание детской зоны
Традиционным решением для семьи с ребенком является выделение меньшей комнаты под детскую. Однако существует и другой подход, который можно рассмотреть, исходя из разделения кухни и столовой. Если кухня была объединена с гостиной, а затем кухонная зона отделена от столовой легкой раздвижной перегородкой, то в оставшейся части можно организовать детскую.
Кроме того, есть еще один способ: разделить большую комнату с двумя окнами на две части, что позволит создать дополнительное пространство, например, для детской.
Обустройство кабинета на лоджии
Лоджия — большая редкость в сталинках. Чаще встречаются балконы. Поэтому будем их рассматривать как одно и то же, что может послужить местом для будущего кабинета. Бывает, что жильцы хотят убрать перегородку между лоджией (балконом) и комнатой и увеличить жилое помещение. Но это связано с целом рядом утомительных и часто непреодолимых бюрократических процедур. Поэтому можно остановиться на застеклении и утеплении лоджии (балкона) и обустройстве в этой зоне кабинета. Стены кабинета можно отделать функциональным и эстетичным современным материалом — гибким камнем.
Чердаки и подвалы
Чердаки находятся под двускатной крышей, что дает возможность жильцам верхних этажей создать и подключить мансарду к своей квартире. Подвалы могут быть эффективно использованы для ведения бизнеса, включая организацию офисного пространства.
Потолки
Средняя высота потолков, как мы уже отмечали — 3 метра. Это позволяет сооружать под потолком сложные многоуровневые конструкции из гипсокартона в сочетании с самыми различными светильниками в желаемом количестве. Под потолком часто расположена железобетонная балка — ригель. Ее можно включить в один из уровней потолка.
Подоконники
Толстые стены, помимо множества других преимуществ, обеспечивают также широкие и глубокие подоконники. Это открывает возможность создать на них круглогодичный сад с экзотическими растениями или организовать рабочее пространство. При необходимости можно установить складную столешницу, которую легко убрать после завершения работы.
Способы планировки
Как мы уже отмечали, можно снести перегородки между двумя помещениями, например, кухней и гостиной и объединить их в одно. Бывает, что требуется, наоборот, разделить помещение, например, в случае, когда в семье растут девочка и мальчик. Тогда две детские можно получить, разгородив одну комнату гипсокартонной стеной или высокими шкафами, стоящими друг к другу задними сторонами. Кроме того, для некоторых квартир и их обитателей может оказаться актуальным изменение площадей некоторых помещений, будь то коридор или комната. Тогда перегородка сносится, а на нужном месте возводится новая.
Возможные дополнительные работы при ремонте
Ремонт двухкомнатной квартиры в сталинском доме может обойтись недешево.
Рассмотрим дополнительные работы, которые могут потребоваться:
- если перекрытия выполнены из дерева, необходимо будет создать прочную стяжку пола для качественного напольного покрытия;
- неровные стены часто требуют увеличения объема штукатурных и шпаклевочных работ;
- замена общих стояков в сотрудничестве с соседями сверху и снизу;
- обновление электропроводки;
- заделка мусоропровода в квартире, если он является источником насекомых, неприятных запахов или грызунов.
Видео
В этом видео описан капитальный ремонт сталинки.
https://youtube.com/watch?v=R5BOyfBN76k
Советы по выбору стиля интерьера
Выбор стиля интерьера для двухкомнатной квартиры в сталинке — это важный этап, который определяет не только визуальное восприятие пространства, но и его функциональность. Сталинские дома, построенные в середине XX века, обладают характерными архитектурными особенностями, такими как высокие потолки, широкие подоконники и массивные двери. Эти элементы могут стать основой для создания уникального интерьера.
Первым шагом в выборе стиля является определение общей концепции. Рассмотрите, какой образ жизни вы ведете и какие функции должны выполнять комнаты. Например, если вы часто принимаете гостей, стоит обратить внимание на стиль, который способствует созданию уютной и дружелюбной атмосферы, такой как скандинавский или прованс. Если же вы предпочитаете минимализм и функциональность, то современный стиль или хай-тек могут стать отличным выбором.
Следующим аспектом является цветовая палитра. В сталинках часто используются светлые и нейтральные оттенки, которые визуально увеличивают пространство. Однако не бойтесь добавлять акценты ярких цветов через текстиль, картины или декоративные элементы. Например, в интерьере в стиле лофт можно использовать кирпичную кладку и металлические детали, а в классическом — добавить элементы из дерева и мягкие пастельные тона.
Не забывайте о текстурах и материалах. В сталинках хорошо смотрятся натуральные материалы, такие как дерево, камень и текстиль. Мягкие диваны, уютные ковры и деревянные столы создадут атмосферу тепла и уюта. Также стоит обратить внимание на освещение: высокие потолки позволяют использовать большие люстры или несколько источников света, что добавит пространству глубины и объема.
При выборе стиля интерьера важно учитывать и архитектурные особенности квартиры. Например, если в вашей квартире есть оригинальные элементы, такие как лепнина или старинные двери, их стоит сохранить и интегрировать в новый дизайн. Это добавит уникальности и подчеркнет историческую ценность жилья.
Наконец, не забывайте о функциональности. Каждый элемент интерьера должен не только радовать глаз, но и быть удобным в использовании. Мебель должна соответствовать размерам комнат, а планировка — обеспечивать комфортное передвижение. Рассмотрите возможность использования многофункциональной мебели, которая поможет оптимизировать пространство, особенно в небольших помещениях.
В заключение, выбор стиля интерьера для двухкомнатной квартиры в сталинке — это творческий процесс, который требует внимания к деталям и понимания своих потребностей. Учитывая архитектурные особенности, функциональность и личные предпочтения, вы сможете создать гармоничное и уютное пространство, которое будет радовать вас и ваших гостей.
Вопрос-ответ
Можно ли сносить стены в сталинках?
Снос разгружающих перегородок – можно или нельзя? Это крайне нежелательно, особенно в сталинке и других конструкциях домов старого типа. Но все-таки выполнимо. При этом нужно обязательно провести оформление перепланировки квартиры, в которой будут проводиться работы с разгружающими перегородками.
Какая перепланировка не требует согласования?
Примеры работ, которые не нужно согласовывать: установка новых дверей, замена окон, замена ванны, унитаза, раковины, мойки, отделка помещения — покраска стен, замена обоев и потолочного покрытия.
Как узнать, какие перекрытия в сталинке?
Тип перекрытий в квартире юридически прописан в техпаспорте БТИ на эту квартиру. Именно от этой информации следует отталкиваться при перепланировке.
Советы
СОВЕТ №1
Перед началом перепланировки тщательно изучите план квартиры и определите, какие стены являются несущими. Это поможет избежать серьезных проблем с безопасностью и структурной целостностью здания. Если вы не уверены, лучше проконсультироваться с профессионалом.
СОВЕТ №2
Определите функциональные зоны в квартире. Подумайте, как вы будете использовать каждую комнату, и постарайтесь создать максимально удобное и логичное пространство. Например, объединение кухни и гостиной может создать более просторное и светлое помещение.
СОВЕТ №3
Не забывайте о естественном освещении. При планировке старайтесь сохранить или увеличить количество окон, чтобы обеспечить хорошую освещенность. Это не только сделает квартиру более уютной, но и поможет сэкономить на электроэнергии.
СОВЕТ №4
При выборе материалов и отделки учитывайте стиль сталинского здания. Сохранение исторических элементов, таких как лепнина или высокие потолки, может добавить уникальности вашему интерьеру. При этом старайтесь сочетать старинные детали с современными решениями для создания гармоничного пространства.











