Система отопления “Ленинградка” популярна для обогрева частных домов благодаря простоте и эффективности. В статье рассмотрим принцип работы, схемы, а также основные плюсы и минусы, что поможет вам сделать осознанный выбор для отопления. Поделимся отзывами потребителей, чтобы вы могли оценить опыт эксплуатации “Ленинградки” в одноэтажных, двухэтажных и многоэтажных зданиях.
Как работает система отопления Ленинградка
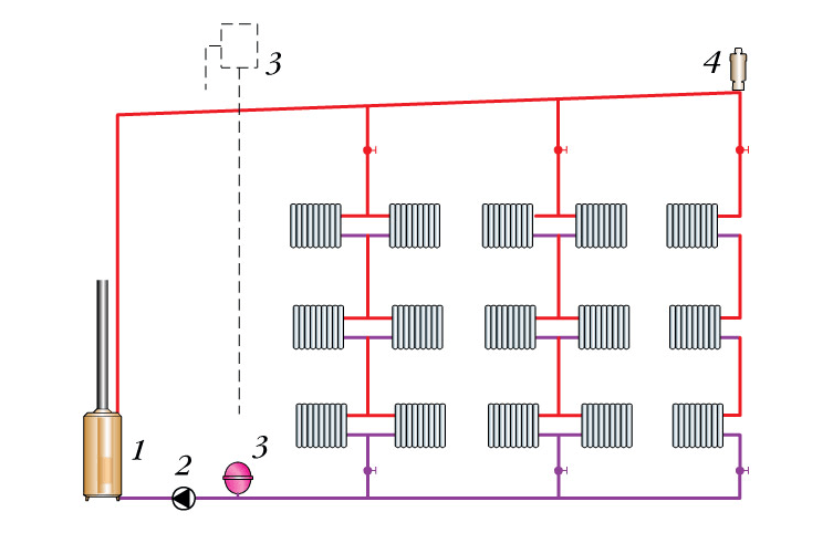
Система отопления формирует замкнутое кольцо, состоящее из одной трубы и цепочки радиаторов. Нагретая вода последовательно поступает в каждую батарею, передает тепло и возвращается по трубопроводу для повторного подогрева. Для компенсации и выравнивания давления в однотрубной системе отопления Ленинградка предусмотрен демпфер. В верхней части системы располагается расширительный бак.
Чтобы замкнутый контур работал эффективно в многоэтажном здании, радиаторы на каждом этаже устанавливаются на одном уровне. Поскольку теплоноситель проходит через все батареи по очереди, крайние приборы в кольце всегда остаются более холодными. Для того чтобы выровнять температуру в удаленных точках, у этих радиаторов увеличивают количество секций.
Трубы для системы Ленинградка можно укладывать двумя способами:
- На поверхности напольного покрытия. Этот метод отличается простотой установки и обеспечивает легкий доступ для ремонта. Хотя трубы, расположенные по полу, могут испортить внешний вид комнаты, они также дополнительно отдают тепло в помещение.
- Под напольным покрытием. Такой способ считается скрытым. Трубы прокладываются под полом и изолируются для снижения теплопотерь. Хотя такая конструкция выглядит более эстетично, ее монтаж требует больше усилий. Кроме того, для ремонта трубопровода придется поднимать пол.
В любом случае укладка трубопровода должна иметь уклон. Это является основным требованием для надежной работы отопления.
Важно! Если система отопления оборудована циркуляционным насосом, уклон трубопровода также необходимо соблюдать. В случае остановки насоса система Ленинградка продолжит функционировать в режиме самотека.
Система Ленинградка может быть вертикальной или горизонтальной. Первый вариант более подходит для двух- и многоэтажных зданий. В вертикальной схеме возможно подключение «теплого пола» и полотенцесушителей, чего не позволяет горизонтальная разводка.
Обратите внимание! Для корректной работы системы Ленинградка, если используется схема вертикального типа или горизонтальная разводка длиной более 30 метров, необходимо установить насосное оборудование для обеспечения циркуляции.
На видео представлен принцип работы отопления Ленинградка:
https://youtube.com/watch?v=z8TR3YPJpwA
Схема отопления Ленинградка вызывает множество обсуждений среди специалистов в области отопления. Эксперты отмечают, что одним из главных плюсов данной схемы является её простота и эффективность. Она позволяет равномерно распределять тепло по всем радиаторам, что особенно важно для больших помещений. Кроме того, система легко поддается ремонту и обслуживанию, что делает её привлекательной для владельцев частных домов.
Однако, среди недостатков выделяют возможные проблемы с циркуляцией воды, особенно в случае неправильного монтажа. Это может привести к неравномерному прогреву радиаторов и образованию воздушных пробок. Некоторые специалисты также указывают на необходимость регулярного контроля за состоянием системы, чтобы избежать коррозии и засоров.
Отзывы пользователей о Ленинградке в целом положительные, однако многие подчеркивают важность качественного монтажа и использования качественных материалов. В итоге, схема отопления Ленинградка остается популярным выбором, но требует внимательного подхода к установке и обслуживанию.
https://youtube.com/watch?v=8aG2a8UHigg
Плюсы и минусы системы отопления Ленинградка
Разработали систему еще в прошлом веке. Изначально она была рассчитана на массовое строительство. Добиваясь максимальной эффективности, разработчики пренебрегли некоторыми недостатками.
Обзор системы разумно начать с рассмотрения плюсов:
- Расход труб при изготовлении Ленинградки на 30% меньше, чем для другой системы.
- Меньший расход материала и объема монтажных работ способствует снижению себестоимости отопления.
- Ленинградка подходит для одноэтажных и многоэтажных зданий.
- Схема считается самой надежной. Контур изначально нужно правильно смонтировать, настроить, и он будет без сбоев работать.
- Для функционирования отопления не нужны дорогостоящие распределительные узлы.
- Нижнее расположение разводки в одноэтажном здании позволяет прятать трубопровод под пол. На поверхность выступают только патрубки подключения отопительных приборов.
- Схема настолько проста, что смонтировать все узлы под силу неопытному специалисту.
- Если говорить о минусах, то их тоже много, и они существенные:
- Каждая последующая батарея, удаленная от котла, слабее прогревается. Чтобы улучшить обогрев крайних комнат, на батареях приходится увеличивать количество секций.
- Горизонтальная разводка трубопровода не позволяет в одноэтажных зданиях к отоплению подключать полотенцесушители, систему «теплый пол».
- Выдержать уклон трубопровода на больших площадях сложно, а иногда невозможно. Самотечная система работать не будет. Отопление придется оснащать циркуляционным насосом, что приводит к дополнительным расходам.
Чтобы полностью разобраться с сильными и слабыми сторонами Ленинградки, стоит подробнее изучить все существующие варианты ее схем.
| Аспект | Описание | Оценка |
|---|---|---|
| Принцип работы | Однотрубная система, где теплоноситель последовательно проходит через все радиаторы, постепенно остывая. | Простота |
| Плюсы | Низкая стоимость монтажа, простота установки, эстетичный вид (меньше труб), возможность скрытой прокладки. | Высокая |
| Минусы | Неравномерный прогрев радиаторов (последние холоднее), сложность регулировки температуры в отдельных комнатах, зависимость работы всех радиаторов от одного. | Средняя |
| Эффективность | Ниже, чем у двухтрубных систем, особенно в больших домах или при большом количестве радиаторов. | Низкая |
| Применение | Идеально подходит для небольших домов, дач, квартир с малым количеством комнат. | Ограниченное |
| Модернизация | Возможность установки байпасов и терморегуляторов для улучшения работы, но это усложняет систему и увеличивает стоимость. | Средняя |
| Отзывы пользователей | Часто отмечают простоту и дешевизну, но жалуются на неравномерность тепла и сложность регулировки. | Смешанные |
| Сложность монтажа | Относительно простая, не требует высокой квалификации. | Низкая |
| Материалоемкость | Требует меньше труб и фитингов по сравнению с двухтрубными системами. | Низкая |
| Ремонтопригодность | При выходе из строя одного элемента может потребоваться отключение всей системы. | Средняя |
Интересные факты
Вот несколько интересных фактов о схеме отопления “Ленинградка”:
-
Простота и эффективность: Схема отопления “Ленинградка” представляет собой однотрубную систему, где теплоноситель движется по одной трубе, проходя через радиаторы. Это упрощает монтаж и снижает затраты на материалы. Однако, из-за особенностей конструкции, температура в радиаторах может варьироваться, что требует внимательного подхода к расчетам.
-
Проблемы с балансировкой: Одним из основных недостатков “Ленинградки” является сложность в балансировке системы. В многоквартирных домах, где несколько радиаторов подключены к одной трубе, может возникнуть ситуация, когда радиаторы, расположенные ближе к котлу, будут получать больше тепла, чем те, что находятся дальше. Это может привести к неравномерному отоплению помещений.
-
Отзывчивость на изменения: Система “Ленинградка” быстро реагирует на изменения температуры в помещении. При увеличении температуры в комнате, теплоноситель может быстро остывать, что позволяет экономить энергию. Однако, это также может привести к частым колебаниям температуры, что не всегда комфортно для жильцов.
Эти факты подчеркивают как преимущества, так и недостатки схемы отопления “Ленинградка”, что делает ее интересной темой для обсуждения среди владельцев и специалистов в области отопления.
https://youtube.com/watch?v=GY4h7uglSY8
Виды отопительной системы Ленинградка по типу циркуляции
Перед тем как перейти к анализу схем, стоит уделить внимание циркуляции. Как и в большинстве систем отопления, для Ленинградки возможны как самотечное, так и принудительное движение теплоносителя. Во втором случае схема становится более сложной из-за необходимости установки насоса.
Отопление Ленинградка с принудительной циркуляцией
При вертикальном способе разводки в многоэтажном здании отопление оснащают циркуляционным насосом. Необходимость узла возникает и в горизонтальной разводке, если длина контура больше 30 м. Благодаря работе насоса, теплоноситель лучше проходит через все батареи.
Важно знать, что схема отопления Ленинградка с насосом бывает открытого и закрытого типа. В первом случае от самотечной системы она отличается только наличием циркуляционного узла. В верхней точке аналогично устанавливают расширительный бак. Однако если самотечная система способна работать только с соблюдением уклона труб, то для отопления открытого типа с принудительной циркуляцией это требование необязательное. Теплоноситель будет двигаться по контуру за счет работы насоса.
Отличием закрытой системы является наличие гидроаккумулятора. Узел устанавливают в нижней точке для компенсации давления. В верхней точке вместо расширительного бака располагают воздухоотводчики. Отопление с принудительной транспортировкой теплоносителя работает под давлением, обычно 1,5 атмосфер.
Отопление Ленинградка с естественной циркуляцией
Самотечная система отопления считается наиболее простой и удобной для частных домов. В этой системе теплоноситель движется благодаря специально рассчитанному уклону труб. Выходные трубы от котла поднимаются, а обратная линия от отопительных приборов опускается.
Отопление с естественной циркуляцией возможно только в открытых системах. В верхней части системы, известной как “ленинградка”, устанавливается расширительный бак, который компенсирует объем теплоносителя в контуре и позволяет стравливать воздух.
Для обеспечения естественной циркуляции котел располагается ниже уровня радиаторов. В частных домах для этого часто создают приямок или используют подвальное помещение. Контур собирается из труб большего диаметра, чем это требуется для систем с насосами. Если уменьшить диаметр трубопровода, скорость движения теплоносителя снизится, что негативно скажется на эффективности отопления.
Для двухэтажных зданий самотечная система не является оптимальным решением. На втором этаже радиаторы будут хорошо прогреваться, в то время как на первом этаже они останутся холоднее. Проблему можно частично решить с помощью установки байпасов и балансировочной арматуры, но это не даст значительного эффекта. Наилучший результат достигается при установке длинных радиаторов с увеличенным количеством секций на первом этаже.
Важно помнить, что ленинградку с естественной циркуляцией не рекомендуется устанавливать в домах с мансардными крышами. Во-первых, сложно правильно расположить трубы, а во-вторых, из-за отсутствия чердака нет места для установки расширительного бака.
Схемы системы отопления Ленинградка
В зависимости от типа здания, различаются схемы подключения батарей. Для одноэтажного дома приемлемо много вариантов. С многоэтажным зданием возникают определенные трудности.
Схема системы отопления Ленинградка для одноэтажного дома
В одноэтажном здании отопление может быть организовано как с открытой, так и с закрытой системой. Радиаторы устанавливаются по кругу на одном уровне, а способ подключения зависит от выбранной схемы.
В самой простой конфигурации радиаторы подключаются параллельно с помощью отводов, идущих от боковых пробок нижнего коллектора к трубе, расположенной по полу. Преимуществом данной схемы является легкость монтажа. Однако есть и недостаток: для ремонта одного протекающего радиатора необходимо сливать воду со всего контура.
Вторая схема также основана на параллельном подключении радиаторов, но в этом случае каждый прибор оснащен шаровыми кранами на подводящих патрубках. Это позволяет отключать радиаторы от работающей системы отопления, при этом циркуляция будет продолжаться через участок трубы, который выполняет функцию байпаса.
Совет! Использование запорной арматуры дает возможность регулировать температуру нагрева каждого радиатора.
Третья схема предполагает диагональное подключение радиаторов. Принцип остается тем же, но подающий патрубок подключается не к нижнему, а к верхнему коллектору. Отводящий патрубок, в свою очередь, присоединяется к нижнему коллектору с противоположной стороны. При такой конфигурации теплоноситель равномерно прогревает все секции радиаторов.
Схема системы отопления Ленинградка для двухэтажного дома
В небольших двухэтажных зданиях систему устанавливают открытого и закрытого типа. Она может быть самотечная и принудительная. Отличием является то, что применяют вертикальную схему подключения батарей.
Еще одна схема с принудительной транспортировкой теплоносителя устроена так, что каждый этаж имеет свой горизонтальный контур, где установлены радиаторы на одном уровне с параллельным нижним подключением. Между собой контуры соединены стояками.
Самотек в двухэтажном здании сложно реализовать. Чаще всего отопление оснащают насосным оборудованием.
Схема системы отопления Ленинградская для многоэтажного дома
В традиционном исполнении Ленинградская схема не применяется для многоэтажных зданий. Эта система больше напоминает компромиссный вариант, так как без межэтажных стояков здесь не обойтись. К ним подключаются радиаторы по вертикальному принципу. Батареи на каждом этаже располагаются последовательно на одном уровне.
Подача теплоносителя в однотрубной вертикальной системе может осуществляться двумя способами:
- Нижняя подача помогает снизить теплопотери в подающем стояке. Ленинградская схема функционирует с маломощным циркуляционным насосом.
- Верхняя подача имеет преимущество, так как движение теплоносителя дополнительно усиливается за счет силы тяжести.
В вертикальной системе радиаторы многоэтажного дома подключаются по тупиковой схеме. Теплоноситель, достигнув конечной точки, меняет направление на 180 градусов.
Диаметры труб для системы отопления Ленинградка
Сечение трубопровода зависит от типа системы: самотечная или принудительная. Учитывают длину контура, количество отопительных приборов. Если монтировать принудительное отопление Ленинградка в частном доме из полипропиленовых труб, то для магистральной ветки достаточно сечения 25 мм. Байпас делают из трубы диаметром 20 мм. Однако такого сечения достаточно, если на контуре установлено до 5 батарей. С увеличением их количества, основной контур принудительной системы собирают из трубы диаметром 32 мм, а байпас – 25 мм.
В северных регионах отопление работает при высоких температурах. Здесь лучше ставить не полипропиленовые, а металлические трубы. То же самое касается самотечного отопления. По металлической трубе теплоноситель самотеком лучше циркулирует. Вдобавок ее сечение увеличивают минимум до 40-50 мм.
Как делать отопление Ленинградка
Монтаж отопительного контура включает в себя установку радиаторов на стену с помощью кронштейнов, при этом необходимо обеспечить их горизонтальное выравнивание. В соответствии с разработанной схемой, прокладывается труба основного контура, к которой подключаются радиаторы через отводы. Метод подключения зависит от типа используемых труб. Если используются полипропиленовые трубы, монтаж выполняется с помощью пайки. Для металлических труб применяется газовая или электрическая сварка. Резьбовые соединения герметизируются с использованием льняной подмотки или фум-ленты.
Отопление в частном доме Ленинградка открытого типа
Для отопления открытого типа обязательно наличие расширительного бака. Его устанавливают на чердаке или под потолком, в зависимости от особенности помещения. Если система самотечная, котел располагают в приямке или подвальном помещении ниже уровня батарей. Трубы обязательно укладывают под уклоном: подача идет на возвышение, а обратка – опускается до входа котла. При установке циркуляционного насоса сильно опускать котел, и точно выдерживать уклоны не обязательно. Однако при выходе его из строя, теплоноситель самотеком двигаться не будет.
Отопление в частном доме Ленинградка закрытого типа
Закрытая система устанавливается по аналогичному принципу, но вместо расширительного бака используется гидроаккумулятор. Обязательно наличие циркуляционного насоса, который будет поддерживать давление в контуре на уровне примерно 1,5 атмосферы. На всех радиаторах и в самой высокой точке трубопровода устанавливаются воздухоотводчики.
Как подключить теплый пол к Ленинградке
Подключение «теплого пола» допускается только для вертикальной схемы. Контур подсоединяют как обычный радиатор. Подающую трубу подводят к выходу циркуляционного насоса, а обратку подключают перед ним – на входе.
Для регулировки «теплого пола» контур оснащают арматурой. Длина одного кольца не должна превышать 30 м. Если контур больше, его делят на две равные части.
Заключение
Отопительная система в частном доме на Ленинградке в настоящее время чаще всего оснащается насосным оборудованием. Принудительная циркуляция теплоносителя обеспечивает более равномерный прогрев всех секций радиаторов. Кроме того, это значительно уменьшает риск образования воздушных пробок в системе.
Отзывы о системе отопления Ленинградка
Василий Семенович Княжин, 57 лет, Ростов Ленинградка отлично работает, если соблюдены уклоны и имеются воздухоотводчики. Я на каждый радиатор поставил кран Маевского. Расширительный бак приспособил на утепленном чердаке. После спуска воздуха все батареи горячие. Евгений Александрович Самсонов, 37 лет, Нижний Новгород Занимаюсь монтажом отоплений под заказ. Ленинградку редко заказывают, но имеются случаи. Система неплохая, если изначально правильно выдержаны уклоны, соблюден уровень радиаторов и котла. Краны Маевского обязательно нужны на каждой батарее, иначе их невозможно развоздушить.
Сравнение системы Ленинградка с другими схемами отопления
Система отопления Ленинградка, известная своей простотой и эффективностью, часто сравнивается с другими схемами, такими как однотрубная и двухтрубная системы. Основное отличие Ленинградки заключается в том, что она использует одну трубу для подачи и обратки теплоносителя, что позволяет значительно упростить монтаж и снизить затраты на материалы.
В отличие от однотрубной системы, где теплоноситель проходит через радиаторы последовательно, в Ленинградке каждый радиатор подключен параллельно. Это обеспечивает более равномерное распределение тепла, так как каждый радиатор получает тепло одновременно, а не по очереди. Однако, в случае однотрубной системы, может возникнуть проблема с недостаточным прогревом радиаторов, находящихся в конце цепочки.
Сравнивая Ленинградку с двухтрубной системой, можно отметить, что последняя обеспечивает еще более высокую эффективность. Двухтрубная схема предполагает отдельные трубы для подачи и обратки, что позволяет избежать потерь тепла и обеспечивает более точную настройку температуры в каждом радиаторе. Однако, установка двухтрубной системы требует больше пространства и более сложного монтажа, что может быть не всегда целесообразно, особенно в небольших помещениях.
Еще одним важным аспектом является стоимость. Система Ленинградка, благодаря своей простоте, требует меньших затрат на материалы и установку. Это делает ее привлекательной для владельцев частных домов и дач, где бюджет может быть ограничен. В то же время, двухтрубная система, хотя и более дорогая, может быть более выгодной в долгосрочной перспективе благодаря своей эффективности и меньшим затратам на отопление.
Также стоит отметить, что Ленинградка может быть менее эффективной в условиях больших температурных перепадов, так как в ней может возникать неравномерное распределение тепла, особенно в больших помещениях. В таких случаях двухтрубная система будет предпочтительнее, так как она обеспечивает более стабильную работу и лучше справляется с изменениями температуры.
В заключение, выбор между системой Ленинградка и другими схемами отопления зависит от множества факторов, включая размеры помещения, бюджет и предпочтения владельца. Каждая система имеет свои плюсы и минусы, и важно учитывать все аспекты перед принятием решения.
Вопрос-ответ
Система отопления Ленинградка недостатки?
Одним из главных недостатков Ленинградки можно назвать довольно сложные расчеты, а также важность балансировки, которая может обернуться непредвиденными тратами в виде ремонтных работ, установки дополнительного оборудования и т. д. Ленинградка уместна лишь в одно-двухэтажных относительно небольших зданиях.
Самая эффективная схема подключения радиаторов отопления?
Диагональная схема подключения. Наиболее эффективным по теплоотдаче считается диагональное подключение. В этой схеме прямая труба подключается к верхнему патрубку с одной стороны радиатора, а обратная — к нижнему патрубку с его другой стороны.
Как работает система отопления “Ленинградка”?
Принцип действия данной системы заключается в том, что теплоноситель из нагревательного котла попадает в подающую линию (трубопровод), переходит в каждое помещение и возвращается обратно в котел. Таким образом, получается замкнутый контур, по которому теплоноситель проходит цикл.
Какая система отопления самая эффективная?
Однако самой эффективной является система отопления с жидким теплоносителем, который нагревает электрический котел. Установка электрокотла в частный дом или на другом объекте — менее затратное мероприятие по сравнению с газовым и не требует специальных разрешений от газовой и пожарной служб.
Советы
СОВЕТ №1
Перед установкой схемы отопления Ленинградка, тщательно изучите особенности вашего помещения. Убедитесь, что система подходит для вашего типа жилья и учитывает его размеры и планировку.
СОВЕТ №2
Обратите внимание на качество материалов, используемых для монтажа системы. Использование надежных труб и радиаторов поможет избежать проблем с утечками и обеспечит долговечность отопления.
СОВЕТ №3
Проведите расчет теплопотерь вашего помещения, чтобы правильно подобрать мощность котла и радиаторов. Это поможет избежать недостатка или избытка тепла, что может негативно сказаться на комфорте.
СОВЕТ №4
Не забывайте о регулярном обслуживании системы отопления. Периодическая проверка и очистка помогут поддерживать эффективность работы и продлить срок службы оборудования.








